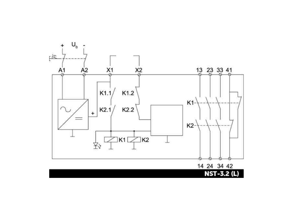
Nødstoprelæ NST-3.2
Et lille nødstopsrelæ til overvågning af nødstop og andre sikkerhedsanordninger. Kan også anvendes som et billigt udvidelsesmodul, når yderligere udgangskontakter er nødvendige.
Varianter
NST-3.2 12V DC
Produkt ID: 42042228
NST-3.2 / 8-36V DC
Produkt ID: NST-3.2 / 8-36V DC
NST-3.2 / 24-29V DC / 24V AC
Produkt ID: 42042248 cUL listed!
Brug for mere information?
Tilføj til din downloadliste, eller download med det samme.
Kontakt os direkte
Når du ringer eller skriver direkte, kommer du i kontakt med Duelcos salgsteam inden for Industry.
Jesper Duval Pedersen
Sales Manager, Industry
Mobil direkte: +45 30 30 29 08
Salgskontor: +45 70 10 10 07




